The Disciplines

From process conceptualization to plant design and operation

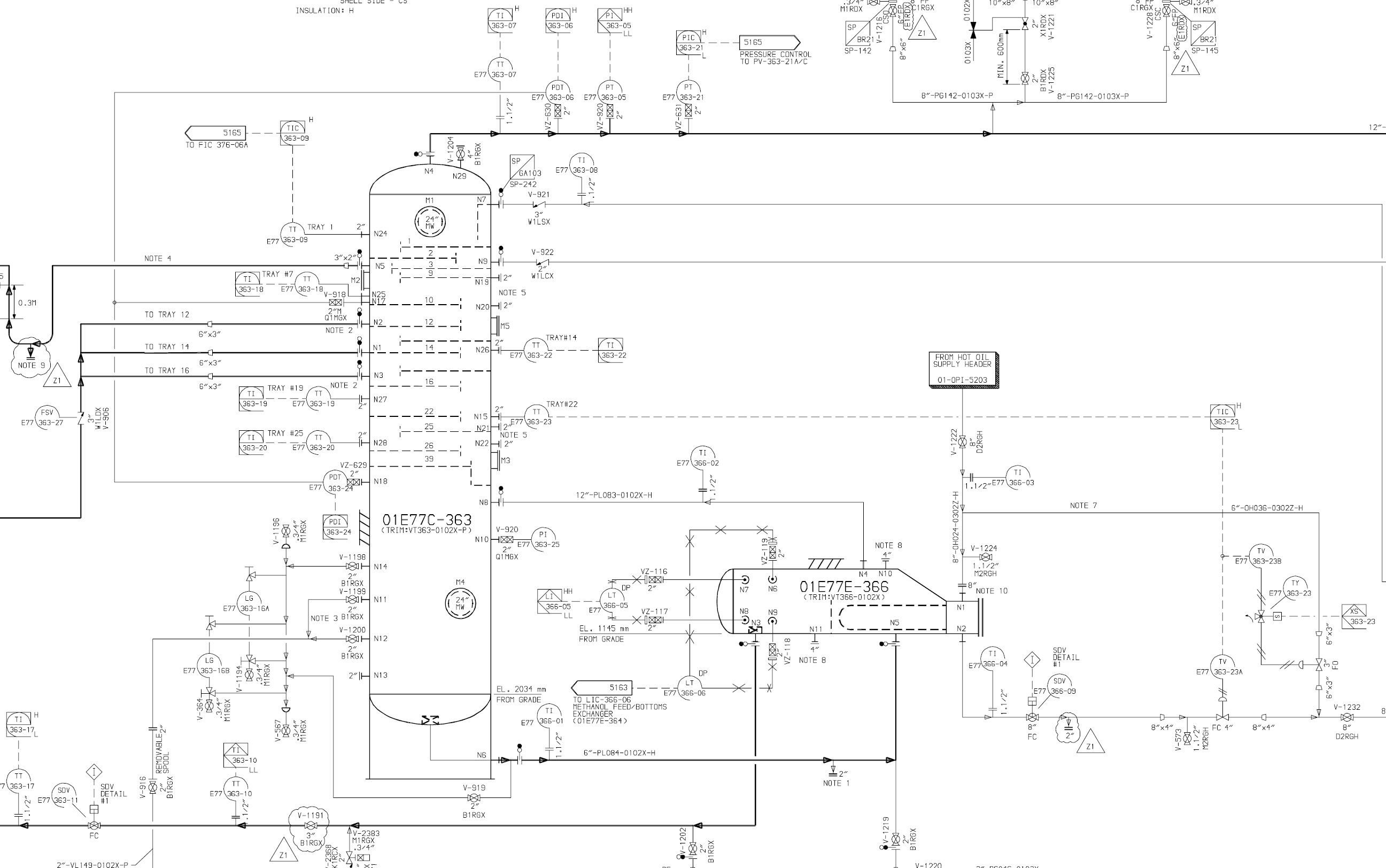
Piping and Instrumentation

Within the design process the development of the P&ID represents the documentation of the current plant design, incorporating not only the process itself, but also the other fields like heat integration, utility system design and certainly the aspects of plant-wide process control. With our Process Engineering Atelier, we provide the necessary framework with codes, standards, templates and catalogs and include a documentation standard of our own. Certainly, company specific documentation standards of our client can also be incorporated in the training. Proper documentation standards and work habits also are part of this training unit to ensure effective communication within the company and towards outside clients and contractors. This may be especially helpful for entry level engineer with little and no experience in engineering documentation and communication.

3D Plant Layout

Read more

Plant Logistics

Read more

Property Modelling

Read more

Hochschule Merseburg

Dipl.-Ing. Michael G. Schnitzlein, PhD
Senior Lecturer in Process Engineering
Eberhard-Leibnitz-Str. 2
06217 Merseburg
Germany

Tel: +49 3461 46-2922
Fax: +49 3461 46-2912

Email: This email address is being protected from spambots. You need JavaScript enabled to view it. 

Processengineer.EU

Dipl.-Ing. Michael G. Schnitzlein, PhD
Professional Trainer in Process Engineering

95213 Münchberg
Germany

Tel: +49 9251 997200
Fax: +49 9251 997270
Email: info @ processengineer.eu